VB-300SCT鎖鏍式振動規

功能特色
1. 一體規設計,內含感知器及信號轉換器 (Sensor and Transducer),輸出訊號已經是工業標準RS485,訊號內容包括 :
a. 三軸 速度,加速度之RMS
b. 三軸 速度,加速度之FFT
c. 三軸 位移, 峰對峰值
2. 開放型訊號協議 (open signal protocols),不需經過DAQ,可與第三方PLC, DCS 等直接相連。
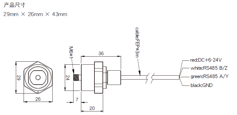
3. 頂級硬度316L不銹鋼規體及規座,安裝扭力可達12 N-m,超過一般工業等級6-8 N-m。
4. 采用鐵氟龍線,符合需耐酸堿腐蝕的安裝環境。

規格參數
| 項目 | 規格 |
|---|---|
| 振動速度范圍 | 0- 300 mm/sec |
| 頻率響應 | 10Hz to 1kHz ±5% 1Hz to 1.8 KHz ±3dB (adjustable filter, 10Hz - 1000Hz filter for ISO2954) |
| 振動加速度范圍 | ±8g |
| 橫向靈敏度 | 2%(typical) |
| 外殼材質 | 316L等級不銹鋼 |
| 感測組件 | MEMS 微機電 |
| 安裝力矩 | 12Nm( 超過一般工業標準6- 8 Nm) |
| 重量 | 112g(含電纜) |
| 連接接口 | RS485 |
| 供應電壓 | 6- 24 V DC |
| 工作溫度范圍 | - 40 ~85 °C |
| 沖擊極限 | 10000g |
| 保護等級 | IP67 |
| 導線材質 | 鐵氟龍 |
| 安裝方式 | 鎖鏍式(M6) |
| 導線安裝方式 | 固定式 |
關鍵詞:振動速度傳感器
◎歡迎您留言咨詢,請在這里提交您想咨詢的內容。

